Single Angle Connection Design per AISC 360-16
How does ideCAD design single angle connection according to AISC 360-16?
Single angle connection limit states and geometry checks are done automatically according to AISC 360-16.
The block shear limit state is checked automatically according to AISC 360-16.
Limit state checks are made automatically according to AISC 360-16, depending on whether the connection type selected by the user is bolted or welded.
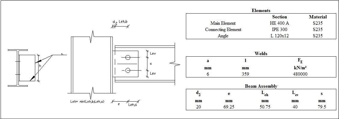
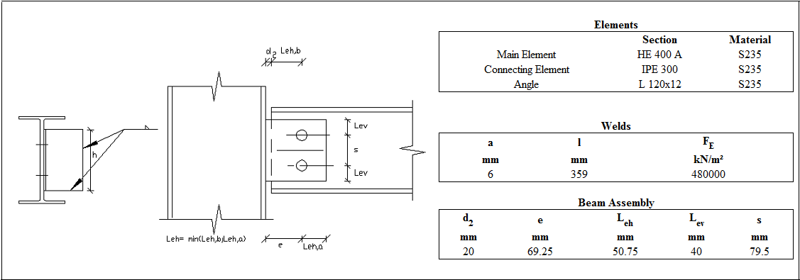
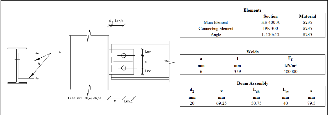
Symbols
Ab: Non-threaded bolt web characteristic cross-sectional area
Ag: Gross area
An: Net cross-section area
Ae: Effective net cross-sectional area
Avg: Gross area under shear stress
Anv: Net area under shear stress
Ant: Net area under tensile stress
Aw: Cross-section web area
Cv: Coefficient of reduction for shear buckling
d: Characteristic diameter of the stem of the bolt (the diameter of the non-threaded stem of the bolt)
dh: Bolt hole diameter
Fy: Structural steel characteristic yield strength
Fu: Structural steel characteristic tensile strength
Fyb: Bolt characteristic yield strength
Fub: Bolt characteristic tensile strength
nsp: Number of slip planes
s: Distance between bolt-hole centers
L: Connector distance
Lc: The clear distance between bolt holes
Le: The distance from the center of the bolt hole to the edge of the assembled element
Leh: The horizontal distance from the center of the bolt hole to the edge of the assembled element
Lev: The vertical distance from the center of the bolt hole to the edge of the assembled element
t: Plate thickness
Rn: Characteristic strength
Rnt: Characteristic tensile strength
Rnv: Characteristic shear strength
Ubs: A coefficient considering the spread of tensile stresses
Connection Geometry



Geometry Checks
Bolt Spacing
The distance between the centers of bolts is checked per AISC 360-16.
smin ≥ 3d | AISC 360-16 J3.3 |
|
|
s | 79.5 mm |
|
|
d | 20 mm | s =79.5 mm > smin = 3*20=60 mm | √ |
Horizontal Edge Distance
The distance from the center of the hole to the edge of the connected part in the horizontal direction is checked per AISC 360-16.
Leh ≥ Le-min | AISC 360-16 J3.4 |
|
|
Leh | 50.75 mm | Leh ≥ 2d = 2 * 20 = 40 mm conformity check for application | √ |
Le-min | 26 mm | Minimum distance check according to Table J3.4 | √ |
Vertical Edge Distance
The distance from the center of the hole to the edge of the connected part in the vertical direction is checked per AISC 360-16.
Lev ≥ Le-min | AISC 360-16 J3.4 |
|
|
Lev | 40 mm | Leh ≥ 2d = 2 * 20 = 40 mm conformity check for application | √ |
Le- min | 26 mm | Minimum distance check according to Table J3.4 | √ |
Weld Size
The minimum size of fillet welds is checked according to AISC 360-16 Table J2.4
a ≥ amin | AISC 360-16 Table J2.4 |
|
|
a | 6 mm |
| √ |
amin | 3.5 mm | Table J2.4 | √ |
Erection Stability
L ≥ hb / 2 |
|
| |
L | 239 mm |
|
|
hb | 248.6 mm | L=239 > 248.6/2=124.3 mm | √ |
Strength Checks
Angle Shear Yield
The shear strength of connecting elements in shear is the minimum value obtained according to the limit states of shear yielding and shear rupture. Shear yielding is checked according to AISC 360-16.
Ag |
|
|
Fy | 235.359 N/mm2 |
|
Rn |
| AISC 360-16 J4-3 |
Rn / Ω |
|
|
Required | Available | Check | Result |
|---|---|---|---|
68,159 kN | 270 kN | 0.252 | √ |
Beam Shear Rupture
The shear strength of connecting elements in shear is the minimum value obtained according to the limit states of shear yielding and shear rupture. Shear rupture is checked according to AISC 360-16.
Anv | ||
Fu | 362.846 N/mm2 |
|
Rn | | AISC 360-16 J4-4 |
Rn / Ω |
|
|
Required | Available | Check | Result |
|---|---|---|---|
68,159 kN | 176.213 kN | 0.387 | √ |
Angle Shear Rupture at Beam
The shear strength of connecting elements in shear is the minimum value obtained according to the limit states of shear yielding and shear rupture. Shear rupture is checked according to AISC 360-16.
Anv |
| |
Fu | 362.846 N/mm2 |
|
Rn |
| AISC 360-16 J4-4 |
Rn / Ω |
|
|
Required | Available | Check | Result |
|---|---|---|---|
68.159 kN | 218.143 kN | 0.312 | √ |
Angle Block Shear at Beam
The block shear limit state is checked according to AISC 360-16. All block shear modes combined with tensile failure on one plane and shear failure on a perpendicular plane are checked according to AISC 360-16.
Ag |
|
|
Anv |
| |
Ant |
|
|
Fy | 235.359 N/mm2 |
|
Fu | 362.846 N/mm2 |
|
Ubs | 1.0 |
|
|
|
|
Rn |
| AISC 360-16 J4-5 |
Rn / Ω |
|
|
Required | Available | Check | Result |
|---|---|---|---|
68.159 kN | 252,971 kN | 0.269 | √ |
Bolt Bearing on Beam
Bearing strength limit states of the connection plate that are “shear tear out” and “ovalization of bolt hole” for both end and inner bolts are checked according to AISC 360-16.
dh | 20+2=22 mm |
|
Lc,edge |
|
|
Rn |
| AISC 360-16 J3-6a |
Rn-edge |
|
|
Lc,spacing |
|
|
Rn-spacing |
| |
Rn |
|
|
Rn / Ω |
|
|
Required | Available | Check | Result |
|---|---|---|---|
68.159 kN | 185.487 kN | 0.367 | √ |
Bolt Bearing on Angle at Beam
Bearing strength limit states of the connection plate that are “shear tear out” and “ovalization of bolt hole” for both end and inner bolts are checked according to AISC 360-16.
dh | 20+2=22 mm |
|
Lc,edge |
|
|
Rn |
| AISC 360-16 J3-6a |
Rn-edge |
|
|
Lc,spacing |
|
|
Rn-spacing |
|
|
Rn |
|
|
Rn / Ω |
|
|
Required | Available | Check | Result |
|---|---|---|---|
68.159 kN | 284.75 kN | 0.239 | √ |
Bolt Shear at Beam
The calculation is made using the Elastic method, one of the methods selected in the steel analysis settings tab. For the details of this check, AISC Manual 14th 7-8 is used as a reference.
In this check, the operation is performed on half of the symmetry axis and is calculated to form a force pair with the required force.
Ab |
|
Fn |
|
Rn |
|
Rn / Ω |
|
Required | Available | Check | Result |
|---|---|---|---|
37.382 kN | 56.549 kN | 0.661 | √ |
Weld Strength at Support
Fe | 480 N/mm2 |
w | The weld thickness taken from the combination menu is 0.707 * w value. 6 / 0.707 = 8.487 mm |
Fu | 362.846 N/mm2 |
t | 12 mm |
Rnw |
|
RnBM |
|
Rn | |
R n / Ω |
Required | Available | Check | Result |
|---|---|---|---|
248.654 kN/m | 864 kN/m | 0.288 | √ |
Next Topic