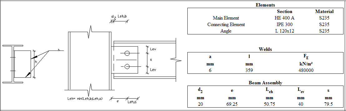
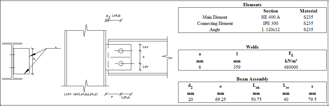
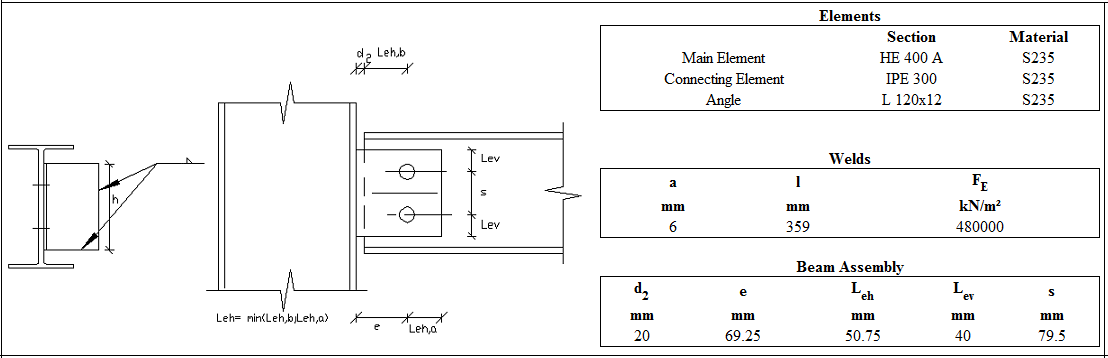
Single Angle Design Report
An example of single angle design report according to AISC 360-16 is given below.
Single angle connection limit states and geometry checks are done automatically according to AISC 360-16.
The block shear limit state is checked automatically according to AISC 360-16.
Limit state checks are made automatically according to AISC 360-16, depending on whether the connection type selected by the user is bolted or welded.




