Defining a Seating Support Connection
With the Seating Support Connection command, column-beam connection is defined.

Location of the Seating Support Connection Command
You can access it under the Ribbon menu, Connection tab, Experimentals title.

Usage Steps
If Draw in Fast Mode is Active
From the Connection menu, click on the Seating Support Connection icon.
In 3D perspective view, move the mouse pointer closer to the element, close to the support
After this process, the virtual image of the connection will appear.
If the connection is suitable, create the connection by clicking the left mouse button.
The connection will occur with default settings.
If Draw in Fast Mode is Inactive
From the Connection menu, click on the Seating Support Connection icon.
Click the column then the beam before the 3D perspective view.
The seating support connection settings dialog will open.
The connection will occur when the wanted settings are made and the OK button is clicked.
Location of the Seating Support Connection Settings Dialog
If the draw in fast mode is active, the connection settings will be opened automatically.
If the draw in fast mode is inactive, select the connection and click the right mouse button. Click the Properties line from the right click menu that opens.

Seating Support Connection Settings Dialog
Geometry and Type Tab

Specifications |
|---|
Type ![]() One of the connection types is selected from the list. |
Plate dimensions ![]() Plate dimensons are determined by entering values. The values to be entered are shown in the schematic drawing. |
Rollers ![]() Rollers dimensions are determined by entering values. |
Schematic drawing ![]() Connection and plate values are shown on the schematic drawing. |
Preview ![]() There is a preview of the connection. The selection made and the entered values can be followed simultaneously in the preview. |
Welds Tab

Specifications |
|---|
Welds ![]() The thickness, type and angle values of the welds to be made at the connections are given. The information on whether it will be done on the construction site or not is entered. |
Weld electrode ![]() The strengths of the welding electrodes are defined in the design inputs. The strength of the main element in the weld connection is controlled under the condition that it has less strength than the weld strength. To create the welding electrode, provide the information "Name" and "Weld metal tensile strength" in the dialog that opens after clicking "Create New". Welding geometry is determined automatically by the program. These properties can be changed to easily determine the connection properties. Geometry features are in accordance with industry standards and in the form specified in AISC. |
Schematic drawing ![]() Connection and weld values are shown on the schematic drawing. |
Preview ![]() There is a preview of the connection. The selection made and the entered values can be followed simultaneously in the preview. |
Cradle Tab
It becomes active when the crane type is selected in the type section.

Specifications |
|---|
Dimensions ![]() Crane dimensions are determined by entering values. The values to be entered are shown in the schematic drawing. |
Schematic drawing ![]() Connection and crane values are shown on the schematic drawing. |
Preview ![]() There is a preview of the connection. The selection made and the entered values can be followed simultaneously in the preview. |
Bolts Tab
It becomes active when bolted type is selected in the type section.

Specifications |
|---|
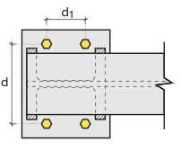
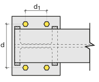
Horizontal arrangement ![]() The horizontal arrangement distance value of the bolts is entered. The values to be entered are shown in the schematic drawing. |
Group 1 ![]() Distance values of bolts to beam and other bolts are entered. The values to be entered are shown in the schematic drawing. |
Bolt properties ![]() The Hole and Bolt Parameters dialog is opened by clicking on the bolt properties button. The bolt properties are set in this dialog. |
Schematic drawing ![]() Connection and bolt placement values are shown on the schematic drawing. |
Preview ![]() There is a preview of the connection. The selection made and the entered values can be followed simultaneously in the preview. |
Brackets Tab
It becomes active when bracket type is selected in the type section.

Specifications |
|---|
Bracket dimensions ![]() Bracket dimensions are determined by entering values. The values to be entered are shown in the schematic drawing. |
Schematic drawing ![]() Connection and plate values are shown on the schematic drawing. |
Preview ![]() There is a preview of the connection. The selection made and the entered values can be followed simultaneously in the preview. |
Design Data Tab

In the design data, the connection elements material is defined. The condition that the main element in the weld joint has less strength than the weld strength is controlled.

If necessary, click the list and define "Create New…". To create the connection elements material, give the information material definitions and values in the dialog that opens after clicking "Create New".
Next Topic

















