Breast Lines of Door/Window
With the Breast lines feature, after the door/window is placed, the trace of the wall under it can be shown in the drawings. The color and type of the line can be selected, if wanted, the color can be made the same as the wall color.
Location of Breast Lines Feature
You can access the breast lines feature from the door/window settings dialog drawing tab .

Specifications |
|---|
Breast lines ![]() After the door/window is placed, it is marked if it is desired that the trace of the wall under it can be seen in the drawings. |
Take line color from parent ![]() By ticking the option, the line color is made the same as the door/window color. |
Line color ![]() Wall breast line color is selected. |
Line type ![]() Wall breast line type is selected. |
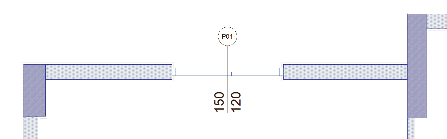
When breast lines are not active |
![]() |
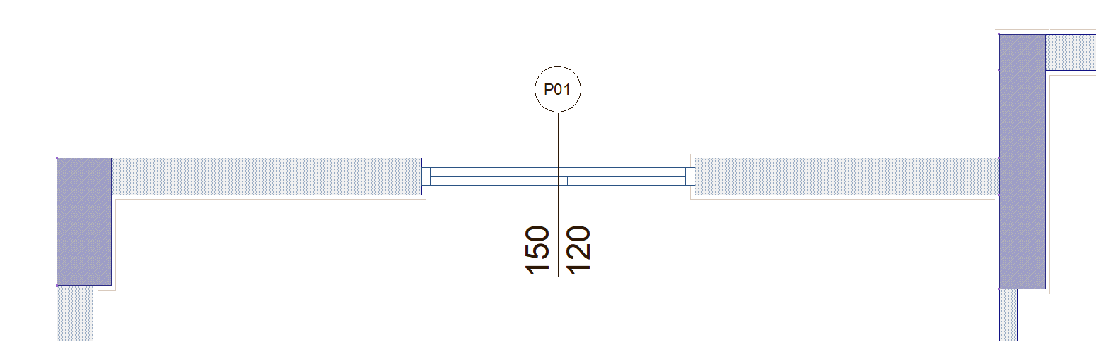
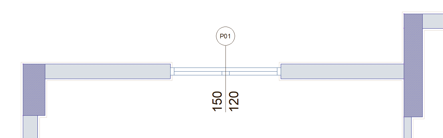
When breast lines are active - with different line types and color |
![]() ![]() ![]() |
Next Topic







