Castellated Beam Example with AISC 360-16
The Castellated Beam Design Example is explained in detail under this title according to AISC 360-16.
Section Details

Frame Results

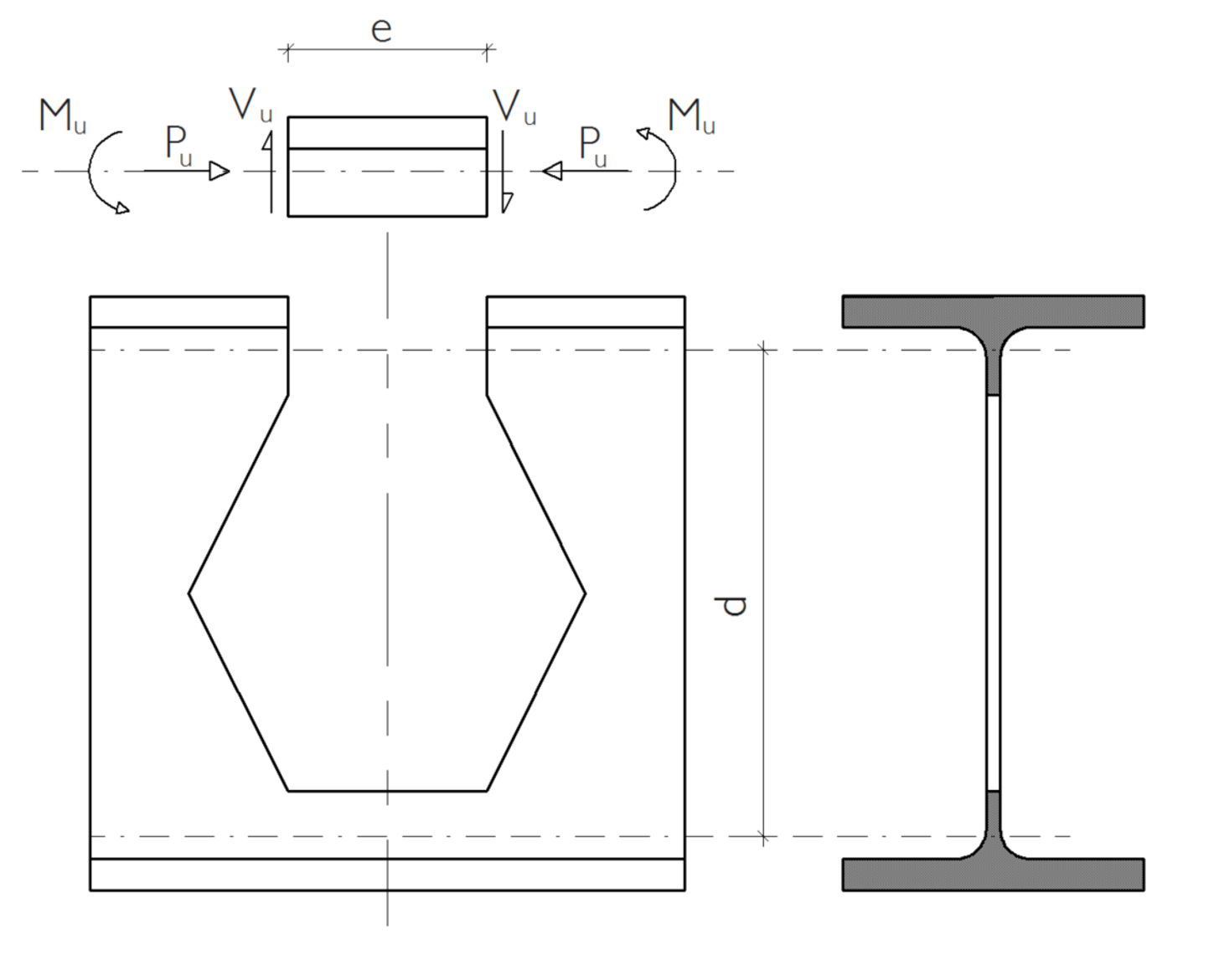
Biaxial Bending Moment and Axial Forces
Biaxial bending moment strength is determined at the gross area of the I-section. It’s accepted the beam is braced against lateral torsional buckling at the midpoint of the beam.
Lb=5000 mm (LTB)

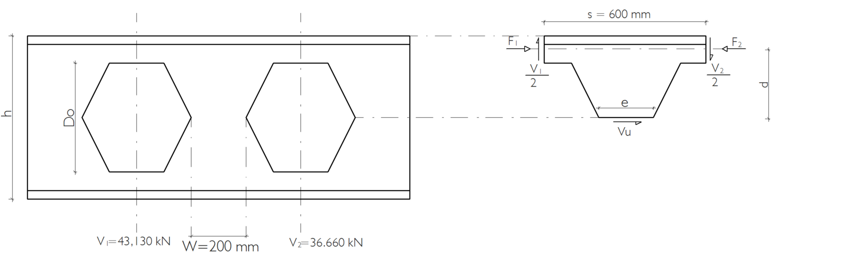
Gross Shear and Net Shear Checks
Maximum Shear Force at Gross Area: Vu= 53.913 kN
Maximum Shear Force at Net Area: Vu= 43.13 kN


Horizontal Shear Check

Vierendeel Bending

Web Post Buckling

