Splice Connection per AISC 360-16
How does ideCAD design Colum/Beam Splice Connection according to AISC 360-16?
Colum/Beam Splice Connection limit states and geometry checks are done automatically according to AISC 360-16.
Limit state checks are made automatically according to AISC 360-16, depending on whether the connection type selected by the user is bolted or welded.
Column/Beam Splice Connections Design Rules
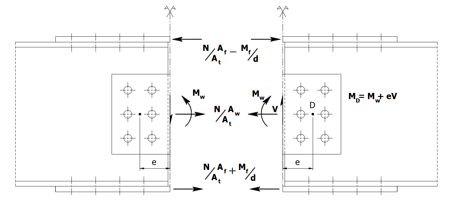
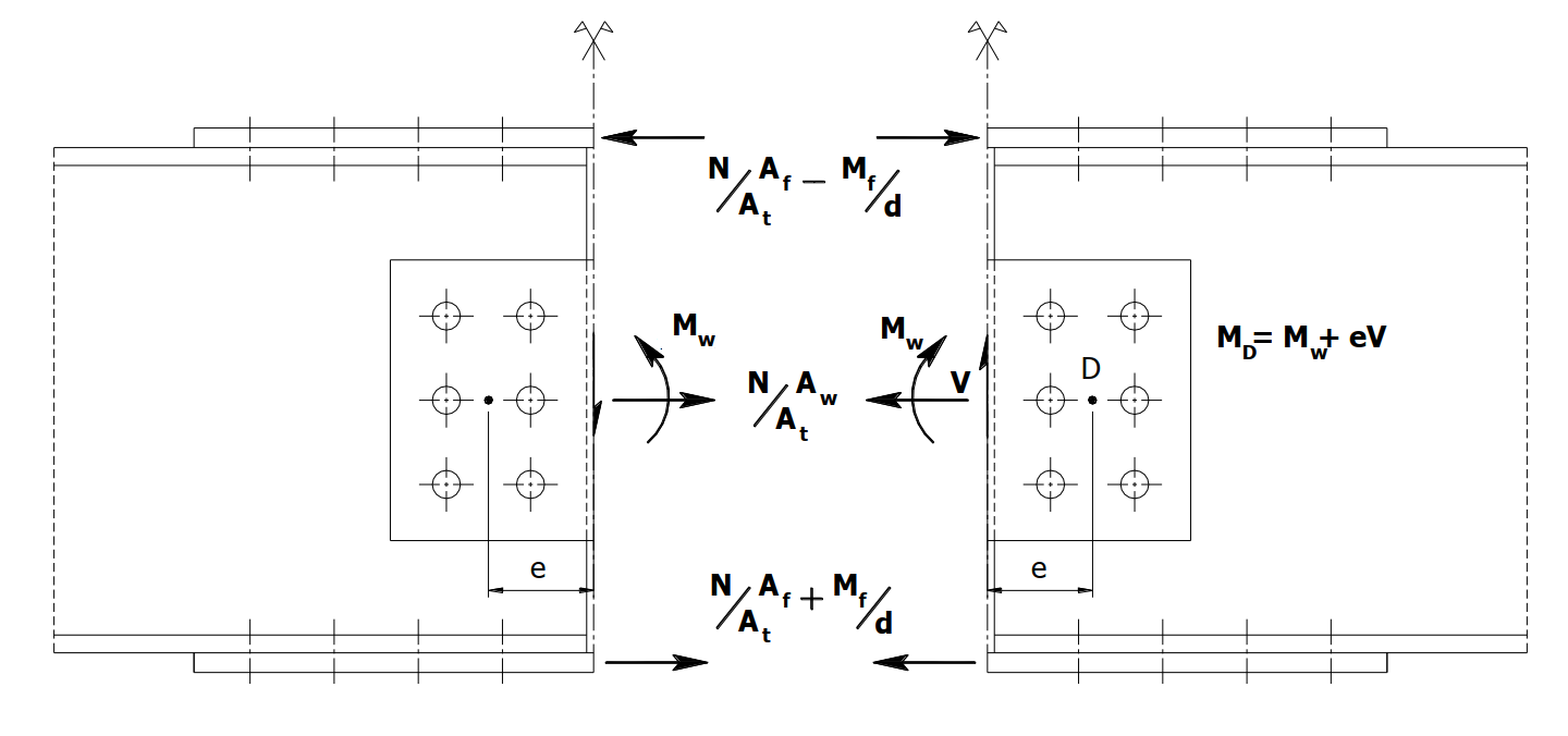
Colum/Beam splices may generally be classified as bolted, welded, or hybrid splices. Asymmetrical and equal numbers of bolts are used on both flanges and the web to be suitable for design with reversible forces such as seismic forces. ideCAD Structural does not allow asymmetrical structure during modeling.
In the design of splice plates, it is assumed that web splice plates are subject to shear force, the web and flange plates are subject to bending moment with the factors proportional to their moment of inertia, and axial force is distributed with the factors proportional to their gross areas.




Next Topic