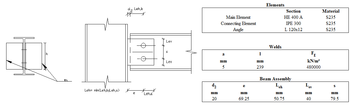
Double Angle Connection
Double angle connection is a type of connection that connects two profiles to each other with two angles (cornier or L profile). Bolt control, weld control and plate control are performed automatically according to the placement of the elements of the connection. Double angle connection design is made automatically according to the Design, Calculation and Construction Principles of Steel Structures (ÇYTHYEDY) (GKT and YDKT) or AISC 360-16 (ASD and LRFD) regulations and the connection report is created.
In the calculation of the connection with double angle plate, the distance control between the bolts, horizontal and vertical edge distance control, weld thickness control, mounting stability controls are made as geometry control. Angle shear yielding, beam and angle shear failure, block slip in beam and angle iron, crushing in beam and angle bolt holes, shear in beam bolts, welding strength are checked as strength control.
Connection Geometry

Geometry Checks
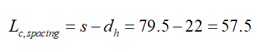
Distance between bolts
| ÇYTHYEDY 13.3.6 |
|
|
| 79.5 mm |
|
|
| 20 mm | s =79.5 mm > smin = 3*20=60 mm | √ |
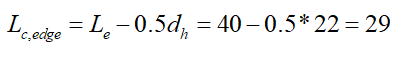
Horizontal Edge Distance
| ÇYTHYEDY 13.3.7 |
|
|
| 50.75 mm | L eh ≥ 2d = 2 * 20 = 40 mm conformity check for application | √ |
| 26 mm | Minimum distance check according to Table 13.9 | √ |
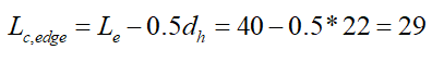
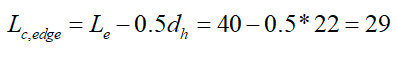
Vertical Edge Distance
| ÇYTHYEDY 13.3.7 |
|
|
| 40 mm | L eh ≥ 2d = 2 * 20 = 40 mm conformity check for application | √ |
| 26 mm | Minimum distance check according to Table 13.9 | √ |
Weld Thickness
| ÇYTHYEDY 13.3.7 |
|
|
| 6 mm |
| √ |
| 3.5 mm | Table 13.4 | √ |
Erection Stability
ÇYTHYEDY 13.3.7 |
|
| |
L | 239 mm |
|
|
| 248.6 mm | L=239 > 248.6/2=124.3 mm | √ |
Strength Checks
Angle Shear Yield
| ![]() |
|
| 235.359 N/mm2 |
|
| ![]() | ÇYTHYEDY 13.17 |
| ![]() |
|
Required | Available | Ratio | Control |
|---|---|---|---|
73.288 kN | 540 kN | 0.136 | √ |
Beam Shear Rupture
| ![]() |
|
| 362.846 N/mm2 |
|
| ![]() | ÇYTHYEDY 13.18 |
| ![]() |
|
Required | Available | Ratio | Control |
|---|---|---|---|
73.288 kN | 176.213 kN | 0.416 | √ |
Angle Shear Rupture at Beam
| ![]() |
|
| 362.846 N/mm2 |
|
| ![]() | ÇYTHYEDY 13.18 |
| ![]() |
|
Required | Available | Ratio | Control |
|---|---|---|---|
73.288 kN | 436,286 kN | 0.168 | √ |
Angle Block Shear at Beam
| ![]() |
|
| ![]() |
|
| ![]() |
|
| 235.359 N/mm2 |
|
| 362.846 N/mm2 |
|
| 1 |
|
| ![]() |
|
| ![]() | ÇYTHYEDY 13.19 |
| ![]() |
|
Required | Available | Ratio | Control |
|---|---|---|---|
73.288 kN | 505.94 kN | 0.145 | √ |
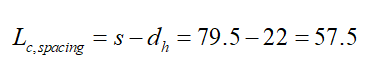
Bolt Bearing on Beam
| 20+2=22 mm |
|
| ![]() |
|
| ![]() | ÇYTHYEDY 13.3.13 Equation 13.14a and13.14b |
| ![]() |
|
| ![]() |
|
| ![]() |
|
|
![]() |
|
| ![]() |
|
Required | Available | Ratio | Control |
|---|---|---|---|
73.288 kN | 185,487 kN | 0.395 | √ |
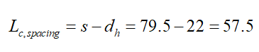
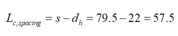
Bolt Bearing on Angle at Beam
| 20+2=22 mm |
|
| ![]() |
|
| ![]() | ÇYTHYEDY 13.3.13 Equation 13.14a and13.14b |
| ![]() |
|
| ![]() |
|
| ![]() |
|
| ![]()
|
|
| ![]() |
|
Required | Available | Ratio | Control |
|---|---|---|---|
73.288 kN | 569.505 kN | 0.129 | √ |
Bolt Shear at Beam
| ![]() |
| ![]()
|
| ![]()
|
| ![]() |
Required | Available | Ratio | Control |
|---|---|---|---|
40.195kN | 113,097 kN | 0.355 | √ |
Weld Strength at Support
| 480000 kN/m2 |
in | 7.072 |
| 362.846 N/mm2 |
l | 239 mm |
| ![]() |
![]() |
Required | Available | Ratio | Control |
|---|---|---|---|
73.288 kN | 171.6 kN | 0.427 | √ |
Next Topic
Related Topics

































