Composite Beam Design Example per AISC 360-16
The Composite Beam Design Example is explained in detail under this title according to AISC 360-16.
composite beam desing example.ide10

Concrete Slab Effective Width, beff
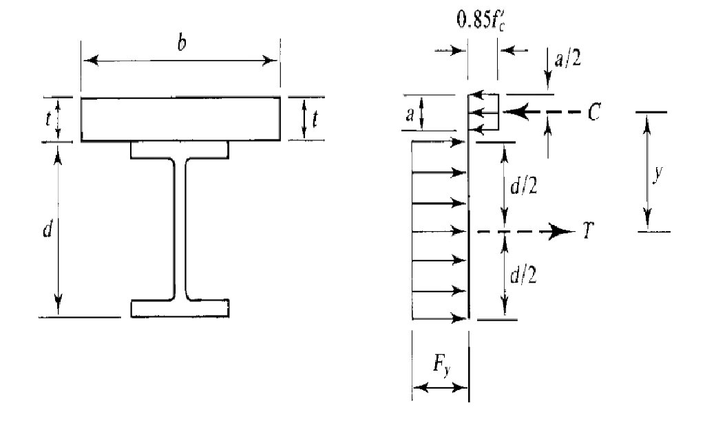
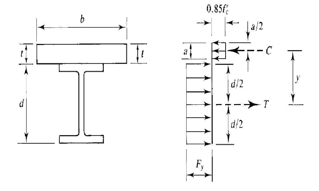
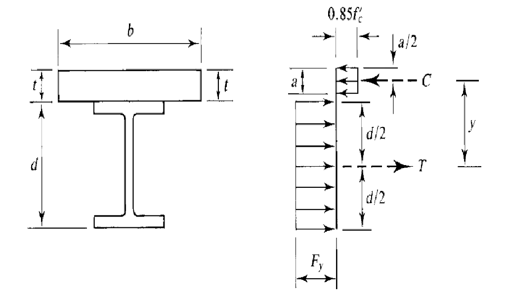
Compressive Strength of Reinforced Concrete Slab
Depth of Concrete Compression Block, a
Design Bending Moment Strength
Construction Phase Account


Next Topic