Purlin Design Results
Steel Purlin and steel tie design results and inadequacy of steel purlins and steel ties are displayed in the Steel Purlins dialog. The steel purlins dialog displays PMM ratios, combinations and deflection results. In the “ Details ” tab, material and section properties, internal force values, axial compressive strength, bending moment strength in strong and weak axis, design variables and lateral stiffness coefficients (K coefficient, L factor etc.) and PMM ratio are displayed.
Location of Steel Lovers Dialogue
After the analysis is done, you can access it by clicking the Purlin command under the Steel Design heading in the ribbon menu Analysis and Design tab .

Steel Purlins

Specifications |
|---|
ID ![]() It is the name of the purlin in the plan. |
Section ![]() It is the section used in the purlin. |
Material ![]() It is the material used in the purlin. |
PMM ratio ![]() It is the ratio of requirement to section capacity (PMM Ratio = Need/Capacity). |
Combo ![]() It is the load combination that produces the most unfavorable PMM ratio. |
Maj-Shr-Ratio ![]() It is the ratio of the shear force in the major direction of the section to the capacity in the major direction. |
Combo ![]() It is the load combination that produces the most unfavorable stress ratio in the major direction. |
Min-Shr-Ratio ![]() It is the ratio of the shear force in the minor direction of the section to the capacity in the minor direction. |
Combo ![]() It is the load combination that produces the most negative stress ratio in the minor direction. |
Strength check ![]() It is an information box whose sign changes according to the presence or absence of negativity in the section. |
Deflection ![]() It is the value of deflection made by the purlin. |
Limit value ![]() It is the value of the maximum allowed deflection in the purlin. |
Deflection check ![]() It is an information box whose sign changes depending on whether the deflection limit is exceeded or not. |
Details ![]() Design details are shown in detail. |
Previous ![]() The cursor moves to the previous line. |
Next ![]() The cursor goes to the next line. |
OK ![]() It saves the changes made and closes the dialog. |
Cancel ![]() Closes the dialog without saving the changes made. |
Summary Information The summary information about the line where the cursor is located is given in the name of the dialog in story, pose format. ![]() For example STORY 1, PE001 |
Using the Shift key In this tab, you can select more than one row with the Shift key, enter a value by double-clicking any cell whose value is open to change, and make that value apply to all selected rows. |
Using the Ctrl key Ctrl key selects the lines in between one by one. |
Design Details

Specifications |
|---|
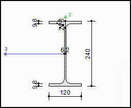
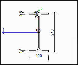
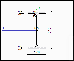
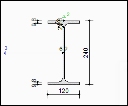
Schematic drawing ![]() |
Section properties ![]() It is the part where the name and geometric properties of the section take place. |
Material properties ![]() The properties of the steel material used in the section are listed. |
Forces and moments ![]() Internal forces occurring in the element, belonging to the selected load combination, are shown in this section. |
Combination ![]() The load combination is selected. |
Demand/capacity ratio ![]() The requirement / capacity ratio in the cross section of the selected load combination is displayed. |
Shear check ![]() The shear capacity ratio of the vaccine is displayed. |
Axial force and biaxial bending check ![]() The axial capacity and moment capacity ratios of the bolt are shown. |
Design factors ![]() K factor: It is the effective length coefficient used in calculations. |
Next Topic
Related Topics



























