Definition of the Coordinate System and Element End Force Directions
Axes according to the global coordinate system
The plus (+) direction is upward, with the Z axis vertical axis (axis perpendicular to the paper plane).
The fixed weight, G, is downward in the Z minus (-) direction.
The X axis is the left to right direction, plus (+) direction in the paper plane. The Y axis is the other axis perpendicular to the X axis in the paper plane and the positive direction is determined according to the right hand rule.

The project (building base) can be at any point in the axes assembly.

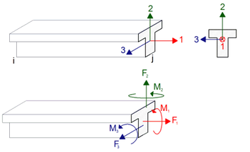
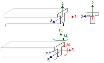
Axes and End Force Directions According to the Local Coordinate System
Beams
Looking at a beam in the plan is the axis 1 axis parallel to the beam, and the perpendicular axis 3 axis in the planand the vertical axis perpendicular to the working plane should be considered as the 2 axis. Left end is i, right end is j.
Columns and Shearwalls
Similarly in columns and shearwalls, 2 axes showing the strong direction of the column, axis 3 indicating the weak direction and vertical axis 1 axis perpendicular to the working plane should be considered. The lower end is i, the upper end is j.
Moments rotate their axis and the positive direction is determined by the right hand rule.
If the fixed weight is G, 1 axis is downward.
Related Topics