Castellated beam strength not satisfied.
This message is created by specifying the element name and floor on which it is located at the beginning of the report.
For example,
SB001 BASE STORY Castellated beam strength not satisfied.
The design strength of steel castellated beams is calculated according to the conditions specified below.

The interaction of flexure and compression: Axial force and flexural strength are calculated in the gross area of the castellated beam.
Shear strength in gross, and net area: Gross and net shear areas are calculated as shown below and compared with the shear force in these sections.

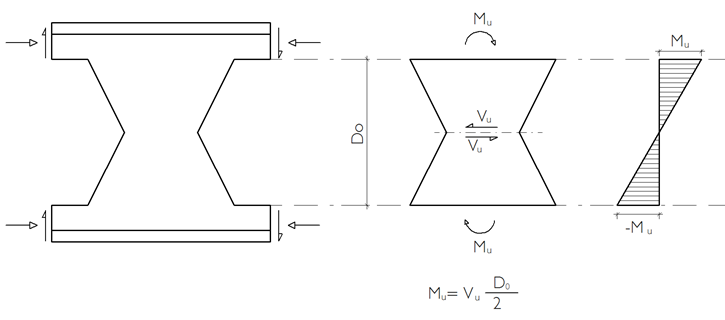
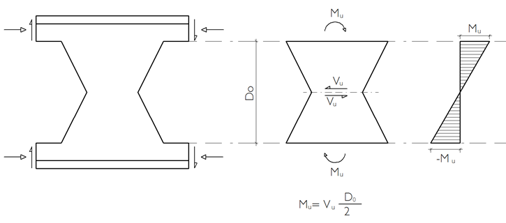
Horizontal shear control: The shear force on the castellated beam body is calculated using the free body diagram and compared by calculating the shear strength.

Web post buckling control: Bending moment values at the upper and lower limits of the solid core section between the castellated beam spaces are found, and lateral torsional buckling is checked according to the rectangular section.

Vierendeel bending control: The effects on the T-section on the Castellated beam gap are found by using the free body diagram. This control is made by calculating the interaction of flexure and compression of the T-section.

Solutions:
Vierendeel bending control
"Cas. filled hole count on the start" and "Cas. filled hole count on the end" of the element whose name and floor are given can be increased. This technique is one of the first choice solutions for vierendeel control. It can be done from the "General" tab of the “Steel Beam Settings” dialog.

The cross-sectional dimensions of the element whose name and floor are given can be enlarged.
Axial Force and Biaxial Bending Effect
The lateral bracing distance can be reduced by connecting roof braces and stability elements to the steel beam whose name and floor are given.
Steel element cross-section can be enlarged.
Shear Control in Gross and Net Area
Steel element cross-section can be enlarged.
Horizontal shear control
Steel element cross-section can be enlarged.
Web post buckling control
Steel element cross-section can be enlarged.
Next Topic