Beam-to-Column Connection Requirements for IMF per AISC 341-16 with ideCAD
How does ideCAD control Beam-to-Column Connection Requirements for Intermediate moment frames according to AISC 341-16?
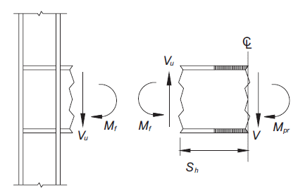
Mf is automatically computed the moment at the face of the column. Also, the required bending moment strength and Vu are automatically computed.
Symbols
Vu = shear force at the end of the beam, kips (N)
Mp = plastic bending moment, kip-in. (N-mm)
Ry = Ratio of the expected yield stress to the specified minimum yield stress, Fy
Mpr = probable maximum moment at the plastic hinge, kip-in. (N-mm), given by Equation 2.4-1
Lh = distance between beam plastic hinge locations, as defined within the test report or AISC 358, in. (mm)
Fu = specified minimum tensile strength of yielding element, ksi (MPa)
Fy = specified minimum yield stress of yielding element, ksi (MPa)
Ze = effective plastic section modulus of section (or connection) at the location of the plastic hinge, in.3 (mm3)
Sh = distance from the face of the column to the plastic hinge
Cpr = factor to account for peak connection strength, including strain hardening, local restraint, additional reinforcement, and other connection conditions
AISC 341-16 E2 includes the minimum criteria for beam-to-column moment connections with moderate level of ductility.
The connection should provide a story drift angle of at least 0.02 rad (relative story displacement/story height).
The connection should have flexural resistance, determined at the column face, to be equal to at least 0.80Mp of the connected beam at a story drift angle of 0.02 rad.
According to AISC 358-16 Section 2.4, it should determine the dimension of the connected members (beams and column) and compute the moment at the face of the column Mf.

In determining the required bending moment strength, the contribution of the additional bending moment from gravity loads for the part of the beam between the plastic hinge and the column face must be considered by the relevant building codes.
To determine the Vu, the shear flow mechanism is considered to determine shear forces due to gravity results from the (1.2D+f1L+0.2S) combination and shear due to the plastic hinge formation at the beam end or column face. Where f1 is a load factor determined by the relevant building code for live loads but not less than 0.5.