Beam-to-Column Connection Requirements for SMF per AISC 341-16 with ideCAD
How does ideCAD control Beam-to-Column Connection Requirements for Special Moment Frames according to AISC 341-16?
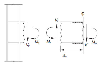
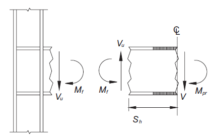
Mf is automatically computed at the moment at the face of the column. Also, the required bending moment strength and Vu are automatically calculated.
Symbols
Vu = shear force at the end of the beam, kips (N)
Mp = plastic bending moment, kip-in. (N-mm)
Ry = Ratio of the expected yield stress to the specified minimum yield stress, Fy
Mpr = probable maximum moment at the plastic hinge, kip-in. (N-mm), given by Equation 2.4-1
Lh = distance between beam plastic hinge locations, as defined within the test report or AISC 358, in. (mm)
Fu = specified minimum tensile strength of yielding element, ksi (MPa)
Fy = specified minimum yield stress of yielding element, ksi (MPa)
Ze = effective plastic section modulus of section (or connection) at the location of the plastic hinge, in.3 (mm3)
Sh = distance from face of the column to plastic hinge
Cpr = factor to account for peak connection strength, including strain hardening, local restraint, additional reinforcement and other connection conditions
t = thickness of column web or individual doubler plate, in. (mm)
wz = width of panel zone between column flanges, in. (mm)
dz = d − 2tf of the deeper beam at the connection, in. (mm)
AISC 341-16 E3 includes the minimum criteria for beam-to-column moment connections with high ductility.
The connection can accommodate a story drift angle of at least 0.04 rad.
The connection should have flexural resistance, determined at the column face, to be equal to at least 0.80Mp of the connected beam at a story drift angle of 0.04 rad.
According to AISC 358-16 Section 2.4, it should determine the dimension of the connected members (beams and column) and compute the moment at the face of the column Mf.

In determining the required bending moment strength, the contribution of the additional bending moment from gravity loads for the part of the beam between the plastic hinge and the column face must be considered by the relevant building codes.
To determine the Vu, the shear mechanism is taken into account to determine shear forces due to gravity resulting from (1.2 D +f1 L +0.2S) combination and shear due to the formation of the plastic hinge at the beam end or column face where f1 is a load factor determined by the relevant building code for live loads, but not less than 0.5.
Per AISC 341-16 E3.6e, the required shear strength of the panel zone is determined by the summation of the moments at the column faces as determined by projecting the expected moments at the plastic hinge points to the column faces. The design shear strength is ϕvRn, and the allowable shear strength is Rn/Ωv, where:
ϕv = 1.00 (LRFD)
Ωv = 1.50 (ASD)
If used, the individual thicknesses for panel zone, t, of column web and doubler plates conform to Eq. E3-7.